抖音成人版下载
熱門新聞
-
產品詳情
-
聯係抖音污在线观看
抖音成人版下载JXJ7525D1H-B基本參數 | ||
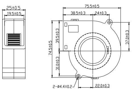
| 尺 寸: | 75×75×25 MM | |
| 額定電壓: | DC 12.0 V (可以定製) | |
| 額定電流: | 0.42 A (可以定製) | |
| 額定轉速: | 3500 RPM (可以定製) | |
| 額定功率: | 5.04 W | |
| 最大風量: | 9.5 CFM | |
| 最大風壓: | 10.98 mmH2O | |
| 噪 音: | 41.6 dB-A | |
| 抖音成人版下载JXJ7525D1H-B曲線 | 抖音成人版下载JXJ7525D1H-B尺寸圖 |
![]() | ![]() |
同型號其他參數
| MODEL | Rated Voltage | Operatig Voltage Range | Rated Current | Rated Input Power | Speed | Maximum Air Flow | Maximum Air Pressure | Node | ||
| 型號 | 額定電壓 | 工作電壓範圍 | 額定電流 | 額定輸出功率 | 轉速 | 最大風量 | 最大風壓 | 噪音 | ||
| PART NO. | V DC | V DC | A mp | Watt | R.P.M | m³/min | CFM | mmH2O | INH2O | dB-A |
| JXJ7525D1L-B | 12 | 7.0-13.6 | 0.22 | 2.64 | 2500 | 0.19 | 6.74 | 4.58 | 0.18 | 32.3 |
| JXJ7525D2L-B | 24 | 18.0-26.5 | 0.11 | 2.64 | 2500 | 0.19 | 6.74 | 4.58 | 0.18 | 32.3 |
| JXJ7525D1M-B | 12 | 7.0-13.6 | 0.26 | 3.12 | 3000 | 0.23 | 8.18 | 7.29 | 0.29 | 37.6 |
| JXJ7525D2M-B | 24 | 18.0-26.5 | 0.14 | 3.36 | 3000 | 0.23 | 8.18 | 7.29 | 0.29 | 37.6 |
| JXJ7525D1H-B | 12 | 7.0-13.6 | 0.36 | 4.32 | 3500 | 0.27 | 9.52 | 10.98 | 0.43 | 41.6 |
| JXJ7525D2H-B | 24 | 18.0-26.5 | 0.19 | 4.56 | 3500 | 0.27 | 9.52 | 10.98 | 0.43 | 41.6 |
辛苦您了,您看到這裏了怎麽還沒有看到抖音成人版下载都沒有什麽功能(防潮、溫控 等)選擇的嗎?不要著急,公司給您來個非常詳細的功能介紹。請點擊風扇功能
備注
如果您需要找的扇熱風扇型號或者是需要特殊的型號參數,我司可以給您方案設計,讓您更加放心省事。請聯係抖音污在线观看業務!如果這個型號不合適您,也可以直接點擊產品中心哦!
業務電話:18207676655
傳真:0755-23033850
聯係人:曾先生
地址:深圳市龍華新區觀瀾街道鬆元上圍新村51號




銷售谘詢-1