抖音成人版下载
熱門新聞
-
產品詳情
-
聯係抖音污在线观看
抖音成人版下载基本參數 | ||
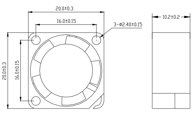
| 尺 寸: | 20×20×10 MM | |
| 額定電壓: | DC 5.0 V (可以定製) | |
| 額定電流: | 0.13 A | |
| 額定功率: | 0.65 W | |
| 最大風量: | 1.35 CFM (可以定製) | |
| 最大風壓: | 4.3 mmH2O | |
| 噪 音: | 24.2 dB-A | |
| 抖音成人版下载曲線 | 抖音成人版下载尺寸圖 |
![]() | ![]() |
同型號其他參數
| MODEL | Rated Voltage | Operatig Voltage Range | Rated Current | Rated Input Power | Speed | Maximum Air Flow | Maximum Air Pressure | Node | ||
| 型號 | 額定電壓 | 工作電壓範圍 | 額定電流 | 額定輸出功率 | 轉速 | 最大風量 | 最大風壓 | 噪音 | ||
| PART NO. | V DC | V DC | A mp | Watt | R.P.M | m³/min | CFM | mmH2O | INH2O | dB-A |
| JXJ2010D5L-S | 5 | 4.3∽5.4 | 0.06 | 0.3 | 10000 | 0.03 | 1.02 | 2.16 | 0.085 | 19.0 |
| JXJ2010D1L-S | 12 | 7.0∽13.5 | 0.03 | 0.36 | 10000 | 0.03 | 1.02 | 2.16 | 0.085 | 19.0 |
| JXJ2010D5M-S | 5 | 4.3∽5.4 | 0.08 | 0.4 | 12000 | 0.032 | 1.14 | 2.65 | 0.105 | 21.5 |
| JXJ2010D1M-S | 12 | 7.0∽13.5 | 0.05 | 0.6 | 12000 | 0.032 | 1.14 | 2.65 | 0.105 | 21.5 |
| JXJ2010D5H-S | 5 | 4.3∽5.4 | 0.13 | 0.65 | 14000 | 0.038 | 1.35 | 4.3 | 0.17 | 24.1 |
| JXJ2010D1H-S | 12 | 7.0∽13.5 | 0.08 | 0.96 | 14000 | 0.038 | 1.35 | 4.3 | 0.17 | 24.1 |
辛苦您了,您看到這裏了怎麽還沒有看到風扇都沒有什麽工功能選擇的嗎?不要著急,公司給您來個非常詳細的功能介紹。請點擊風扇功能
備注
如果您需要找的型號或者是需要特殊的型號參數,我司可以給您方案設計,讓您更加放心省事。請聯係抖音污在线观看業務!如果這個型號不合適您,也可以直接點擊產品中心哦!
業務電話:18207676655 (微信同號)
傳真:0755-23033850
聯係人:曾先生
地址:深圳市龍華新區觀瀾街道鬆元上圍新村51號




銷售谘詢-1